Product Center
· 额定功率:8W
· 阻值范围:5.1~2K
· 最高精度:±5%
· 电阻技术:线绕电阻
· 封装材料:珐琅
· 封装方式:被釉
· 工作温度范围:-55℃~+155℃
· 外型尺寸:L=35mm W=14mm
应用领域:国防、军工、交通铁路、仪器仪表
■ 产品特点
1、电阻表面采用4次烧结被釉,使电阻丝得到有效保护,从而提高电阻的使用寿命。
2、采用军工级95瓷管,散热性能更好,使用寿命更长,不易损坏。
3、采用紫铜镀锡接线柱,可以和电阻丝紧密接触,导电效果更好,可以在[敏感词]环节减少电能损失。
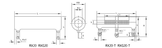
■ 结构图

■ 规格尺寸和技术指标

◆ 规格尺寸尺寸单位:mm
|
型号 |
额定功率(W) |
外形尺寸(mm) |
重量(g) |
|||||||||||
|
L |
D |
d |
H |
h |
L1 |
K |
b |
t |
d1 |
C |
RX20 |
RX20-T |
||
|
RX20(T) |
8W |
35±1.5 |
14±2 |
5.5±0.5 |
- |
28.5±2.5 |
- |
- |
3.5±0.8 |
4.5 |
2 |
8±1.5 |
23 |
|
◆ 技术指标
|
型号 |
额定功率(W) |
阻值范围(Ω) |
精度 |
温度系数(PPM/℃) |
|
|
RX20 |
RX20-T |
||||
|
RX20(T) |
8W |
5.1~2K |
±5%,±10% |
±250 |
|
■ 降功耗曲线图

■ 客户选型例如:RX20 100W 10Ω ±5%,型号:RX20-100-10R-J;低电感,在型号中加入字母N,例如: N RX20-100-10R-J
|
RX20 |
100 |
10R |
J |
B |
|
代码 |
额定功率 |
阻值 |
精度 |
温度系数 |
|
RX20(T)系列 |
05=5W 10=10W 25=25W 100=100W 300=300W |
0R1=0.1Ω 0R22=0.22Ω 100R=100Ω |
J=±5% K=±10% |
L=±250PPM |
■ 电阻使用建议
◆电阻在使用电路中[敏感词]留1.5倍的功率余量,如电路中电压100V,电流0.01A,计算功率:P=100*0.01=1W,这时候电阻不能使用1W的,计算1*1.5=1.5W,没有1.5W的电阻故需用到2W的电阻。