Product Center
· 额定功率:50W
· 阻值范围:0R5~4R3
· 最高精度:±5%
· 电阻技术:线绕电阻
· 封装材料:纳米有机硅涂料
· 封装方式:被漆
· 工作温度范围:-55℃~+315℃
· 外型尺寸:L=146mm W=62mm
· 应用领域:电梯、起重机、轧机、拉丝机、 离心机、负载试验
■ 产品特点
万联盛生产的线绕型大功率电阻体选用高频瓷管而非土陶管,高频瓷管具有耐用、高功率、高散热、体积小等特征。表面涂层全选用台湾纳米有机硅涂料,绿色环保、无毒无气味,并确保功率稳定,散热好更安全。所有五金配件均加厚、加宽、安装稳固安全。
1、耐大电流冲击,功率负荷性较好,较宽的功率范围。
2、全焊接结构,产品具有较高的可靠性。
3、表面立式波纹,有利于散热减低寄生电感量,并选用高阻燃涂层,有效保护电阻丝不被氧化,延长使用寿命。
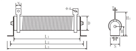
■ 结构图

■ 规格尺寸和技术指标
◆ 规格尺寸尺寸单位:mm
|
型号 |
额定功率(W) |
外形尺寸(mm) |
||||||||||
|
L1±2 |
L2±5 |
L3±3 |
D±2 |
B±1 |
S±2 |
H±1 |
H1±3 |
N±2 |
Φd±1 |
T±0.5 |
||
|
RXBW |
50W |
102 |
124 |
146 |
28 |
6.5 |
27 |
28 |
62 |
9 |
4.5 |
1.2 |
*备注 客户有特殊要求,可以协商定制。
◆ 技术指标
|
型号 |
额定功率(W) |
阻值范围(Ω) |
阻值允许偏差(%) |
最高工作电压(V) |
耐电压(V) |
温度系数(PPM/℃) |
|
RXBW |
50W |
0.5~4.3 |
J(±5%) |
√PR |
1500 |
±250 |
■ 降功耗曲线图
■ 性能指示
|
试验项目 |
性能要求 |
试验方法 |
|
可焊性 |
浸润面积≥95% |
焊槽法 235±5℃,2s |
|
引出端强度 |
△R≤±(1%R+0.05Ω) |
20N,30s |
|
恒定湿热 |
△R≤±(2%R+0.05Ω) |
40±2℃,93±3RH,1000h |
|
振动 |
△R≤±(1%R+0.05Ω) |
10~500Hz,0.75mmm or 98m/s2,6h |
|
碰撞 |
△R≤±(1%R+0.05Ω) |
频率 40~80 次/分 2000次 |
|
表面温升 |
≤275℃ |
施加额定功率负荷 PR |
|
室温耐久性 |
△R≤±(5%R+0.05Ω) |
室温 PR,1000h |
|
过载 |
△R≤±(2%R+0.05Ω) |
10PR,5s |
■ 客户选型例如:RXBW 50W 10Ω ±5% ,型号:RXBW-50-10R-J
|
RXBW |
50 |
10R |
J |
|
代码 |
额定功率 |
阻值 |
精度 |
|
RXBW系列 |
05=5W 10=10W 25=25W 100=100W 300=300W |
0R1=0.1Ω 0R22=0.22Ω 100R=100Ω |
J=±5% K=±10% |
■ 电阻使用建议
◆电阻在使用电路中[敏感词]留1.5倍的功率余量,如电路中电压100V,电流0.01A,计算功率:P=100*0.01=1W,这时候电阻不能使用1W的,计算1*1.5=1.5W,没有1.5W的电阻故需用到2W的电阻。